Audio DIYer
×
[PR]上記の広告は3ヶ月以上新規記事投稿のないブログに表示されています。新しい記事を書く事で広告が消えます。
之前對PASS線路就有些興趣
且目前手邊沒A類後級
而最近某網兄剛好舉辦了F5的團購
剛好價格合理,就收了兩套
其中一套打算先測試微調,另一套將正式裝箱
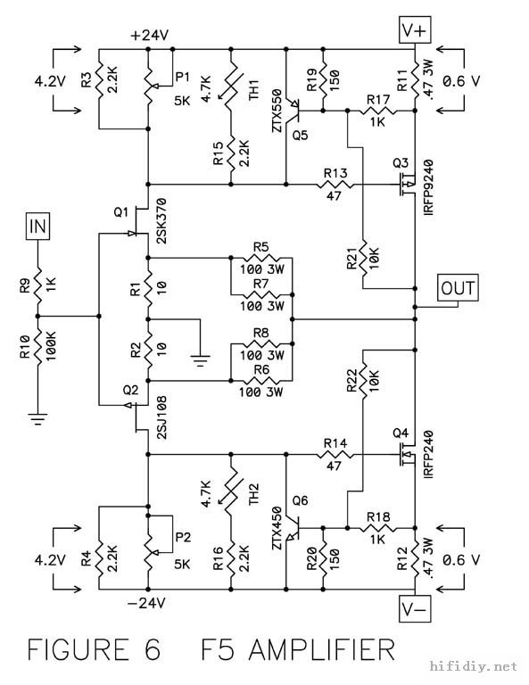
首先,先來看線路圖

再來,PCB外觀...


雖然是測試版,零件皆採用台製零件,而且都用LCR表精密配對
唯3W 0.47R電阻附近電料行找不到,先使用2W 0.5R ...希望不會燒電阻


(眼利的人應該會發現小弟好像惡搞什麼了?! 小弟把它放到其他位置.沒更改任何線路)
且目前手邊沒A類後級
而最近某網兄剛好舉辦了F5的團購
剛好價格合理,就收了兩套
其中一套打算先測試微調,另一套將正式裝箱
網路上的部分討論文章(熱心網兄整理)
- 林志達兄的PASS F5 (from 音樂大廳)
- Nelson Pass F5 功放 (from HIFIDIY)
- pass F5 制作体会 (from HIFIDIY)
- 我的 Pass F5 出声,问题奇怪 (from HIFIDIY)
- 新鲜的PASS F5出炉喽! (from HIFIDIY)
- 经心打造,简单交差-----我的PASS F5装机! (from HIFIDIY)
- 帮朋友做的 Pass F5 (from HIFIDIY)
- 裸奔中的PASS F5 (from HIFIDIY)
- PASS F5 調整 (from HIFIDIY)
首先,先來看線路圖
再來,PCB外觀...
雖然是測試版,零件皆採用台製零件,而且都用LCR表精密配對
唯3W 0.47R電阻附近電料行找不到,先使用2W 0.5R ...希望不會燒電阻
(眼利的人應該會發現小弟好像惡搞什麼了?! 小弟把它放到其他位置.沒更改任何線路)
PR
回覆(評論)這篇文章
月曆
| 2025年 | |||
| < 10 | 11月 | 12 > | |
| 日 | 一 | 二 | 三 | 四 | 五 | 六 |
|---|---|---|---|---|---|---|
| 1 | ||||||
| 2 | 3 | 4 | 5 | 6 | 7 | 8 |
| 9 | 10 | 11 | 12 | 13 | 14 | 15 |
| 16 | 17 | 18 | 19 | 20 | 21 | 22 |
| 23 | 24 | 25 | 26 | 27 | 28 | 29 |
| 30 |
分類
最新CM
[02/16 偉傑]
[09/06 phuang3]
[07/02 hkpanda]
[06/18 soon831]
[05/24 andyaries]
最新文章
(2016.03.04)
(2012.11.14)
(2012.09.02)
(2012.04.10)
(2012.03.27)
部落格觀察家
- 今日瀏覽人次:
- 累計瀏覽人次:
(統計自2009.06.08)
作者資訊
作者:
bill6300gp
年齢:
38
性別:
男性
誕生日:
1987/08/14
站內搜尋
彙整

